Φ6mm 无刷空心杯电机(MC)
产品型号:CL0623
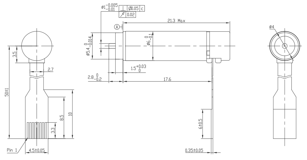
直径(mm):6
长度(mm):23
额定电压(V):12
额定转速(rpm):46800
堵转转矩(mNm):1.3
堵转电流(A) :0.87
转矩常数(mNm/A):1.6
速度常数(rpm/V) :5882
输出轴直径(mm):1
电机参数
| 电机数据(额定值) | |||||
| 额定电压(V) | 12 | 3.5 | |||
| 空载转速(rpm) | 63400 | 38000 | |||
| 空载电流(A) | 37 | 37 | |||
| 额定转速 (rpm) | 46800 | 26400 | |||
| 额定转矩(mNm) | 0.425 | 0.19 | |||
| 额定电流(A) | 0.308 | 0.3 | |||
| 堵转转矩(mNm) | 1.3 | 0.58 | |||
| 堵转电流(A) | 0.87 | 0.79 | |||
| 最大效率(%) | 53 | 55 | |||
| 电机常数(额定值) | |||||
| 相间电阻(Ω) | 14.4 | 4.4 | |||
| 相间电感(mH) | 0.06 | 0.025 | |||
| 转矩常数(mNm/A) | 1.6 | 0.8 | |||
| 速度常数(rpm/V) | 5882 | 12500 | |||
| 转速/转矩斜度( rpm/mNm) | 51631 | 69384 | |||
| 机械时间常数(ms) | 3.76 | 5.04 | |||
| 转子惯量(gcm2) | 0.007 | 0.007 | |||
| 热参数 | |||||
| 机壳-环境热阻(K/W) | 65.8 | 67.9 | |||
| 绕组-机壳热阻(K/W) | 13.2 | 15.2 | |||
| 绕组热时间常数(s) | 1.34 | 1.54 | |||
| 电机热时间常数(s) | 70.4 | 71.5 | |||
| 环境温度(℃) | -20~+100 | -20~+100 | |||
| 最高绕组温度(℃) | 125 | 125 | |||
| 机械参数(滚珠轴承) | |
|---|---|
| 最大允许转速(rpm) | 100 000 |
| 最大轴向间隙(mm) | < 0.15 N 0 |
| > 0.15 N 0.06(max) | |
| 径向间隙 | preloaded |
| 最大轴向动态载荷(N) | 0.1 |
| 最大允许安静态装力(N) | 10 |
| 最大径向载荷,距离法兰处2mm处(N) | 2 |
| 端子型号 | |
|---|---|
| Molex 52745-0897 52207-0460 | |
| FCI SFV8R-2STBE1HLF SFW4R-2STGE1LF |
设计图纸














查看详情


Φ6mm 无刷空心杯电机(MC)规格书